Chinese English Russian Spanish
 
TONJO HOME ABOUT TONJO PRODUCTS CATALOGUE WORKSHOP TONJO NEWS SALES NETWORK CONTACT TONJO SITEMAP
 
 
 
Spherical Plain Bearing
GE..ES/2RS GEZ..ES/2RS
GEEW..ES GEEM..ES/2RS
GE..DO/2RS GE..FO/2RS
GE..PB GE..LO
GE..HO/2RS GE..UK/2RS
GE..FW/2RS ШСП / ШСЛ
Deep Groove Ball Bearing
Tapered Roller Bearing
Spherical Roller Bearing
Cylindrical Roller Bearing
Catalogue
Contact TONJO
About TONJO
 
 
TONJO Bearings
 
Your present location: HOME>>PRODUCTS>>Spherical Plain Bearing>>GE-LO
 
TONJO Spherical plain bearing
 
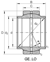
Designation Principal dimensions Basic load ratings Mass
d D B C dk d2 r1 r2 α Dynamic Static
mm Deg. C (kN) C0 (kN) kg
GE12LO
12 22 12 7 18 15.5 0.3 0.3 4 10.8 54 0.017
GE16LO
16 28 16 9 23 20 0.3 0.3 4 17.6 88 0.035
GE20LO
20 35 20 12 29 25 0.3 0.3 4 30 146 0.067
GE25LO
25 42 25 16 35.5 30 0.6 0.6 4 48 240 0.12
GE32LO
32 52 32 18 44 38 0.6 1 4 67 335 0.21
GE40LO
40 62 40 22 53 46 0.6 1 4 100 500 0.33
GE50LO
50 75 50 28 66 57 0.6 1 4 156 780 0.59
GE63LO
63 95 63 36 83 71.5 1 1 4 255 1270 1.3
GE70LO
70 105 70 40 92 79 1 1 4 315 1560 1.6
GE80LO
80 120 80 45 105 91 1 1 4 400 2000 2.6
GE90LO
90 130 90 50 115 99 1 1 4 490 2450 3
GE100LO
100 150 100 55 130 113 1 1 4 610 3050 4.7
GE110LO
110 160 110 55 140 124 1 1 4 655 3250 5.5
GE125LO
125 180 125 70 160 138 1 1 4 950 4750 8.1
GE160LO
160 230 160 80 200 177 1 1 4 1370 6800 15.8
GE200LO
200 290 200 100 250 221 1.1 1.1 4 2120 10600 32.5
GE250LO
250 400 250 120 350 317 2.5 1.1 4 3550 18000 102
GE320LO
320 520 320 160 450 405 2.5 4 4 6100 30500 224
   
Copyright (c) SHANDONG TONJO PRECISION BEARING CO.,LTD.
Tel: +86-635-2757999, +86-138-6950-4222
Add: Linqing Bearing Industrial Zone, Shandong, China. 252600 E-mail: Leo@TONJO.cc